服務熱線
13350355997
作者: 凱潛濾油機 發布時間:2019-11-17 21:20 點擊量: 來源:
重慶凱潛濾油機制造有限公司
Chongqing Kaiqian Oil Purifier Manufacture CO .,LTD
TY-R100型潤滑油系列真空濾油機(觸摸屏PLC控制系統)
使用說明書
本說明書主要用于幫助用戶能夠正確使用本公司的設備,保證設備處于_佳運行狀態,凈化出產出優質的油品,并延長使用壽命,基于科學的態度,請用戶使用本設備前,認真閱讀《濾油機使用說明書》。
同時,為了保證操作人員的生命_,凡是設備標有:小心、危險符號均需使用者查閱說明說明書,弄清潛在的危險。
一、公司簡介
重慶凱潛濾油機制造有限公司,位于重慶市沙坪壩區,是一家專業集研發、設計、生產、銷售濾油機設備、出口濾油機設備為一體的高新科技企業。
公司擁有一批專業油凈化處理專家和資深的研發設計高級工程師團隊,榮獲GB/T19001-2008/ISO9001質量體系認證,應用現代化科技,嚴格按照機械工業部JB/T5285--2008標準和電力工業部DL-T521-93標準自主研發。成功研制出品質卓越、性能可靠、工藝一流的十多個系列、上百種規格型號的濾油機設備,暢銷_,電力、核電、風電、水電、石油、石化、化工、煤化工、航空、鐵路、地鐵、_、鋁業、船舶、水泥、制藥、紙業、汽車制造、國家重點電網、500KV-1000KV換流站真空濾油機、電業局35KV-220KV變電所等領域。實實在在幫助企業客戶解決油污染難題,為廣大用戶節能降耗起到重要的作用。
二、產品介紹:
(一)型號說明:
(二)產品構成、原理及外觀介紹:
1、產品結構及原理:
本系統主要分為四部分,.部分是原油預處理;.部分是真空分離系統;第三部分是產品油輸出系統;第四部分整機控制系統。
真空濾油機根據減壓分離,分子吸附、真空干燥、機械精密過濾原理。真空濾油機為單獨的一臺整機,無任何附屬機械設備,利用水的飽和溫度曲線和真空干燥原理進行立體的、多層面的快速效率高油水分離技術,多級大通量深層次精密過濾技術,經處理后的油品達到國標使用標準。
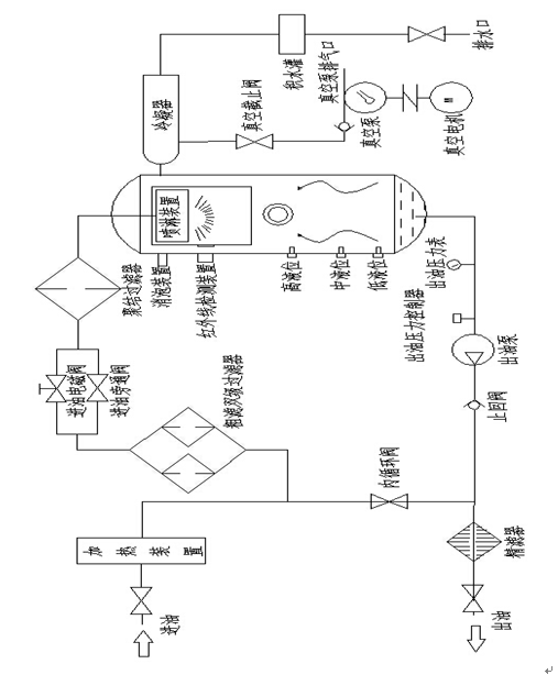
三、產品外觀圖、流程圖及電路控制圖
a.外形圖

b.流程圖

四、產品技術參數:
4.1.設備名稱:潤滑油系列真空濾油機
4.2.規格型號:TY-R100
4.3.介質:潤滑油、液壓油、抗磨液壓油等
4.4.流量:100L∕min
4.5.電源:380V±10%50Hz±10三相五線制
4.6.加熱功率:48KW
4.7.總 功 率:53KW
4.8.破乳化度≤15min
4.9.工作極限真空度-0.07~0.099Mpa(90000Pa)
4.10.工作溫度: 0~80℃(智能調節)
4.11.工作壓力:≤0.5 Mpa
4.12.過濾精度: ≤5μm
4.13.噪音:≤75dB
4.14.連續工作時間:≥ 168h
4.15.平均無故障時間:≥ 20000h
4.16.進出管徑: DN40/DN40
4.17.運行方式: 連續在線或間斷,正壓或負壓均可運行。
4.18.安裝方式:移動式或固定式
4.19.設備外形尺寸:長1450mmX寬950mmX高1700mm.(隨設備型號而定)
4.20.設備凈重:0.55t
4.21.材質:鋼材
原油要求:
原油:
源油流量:≥
原油溫度:0~60℃。
五、用前準備及檢查
5.1.真空濾油機的各部件在出廠前已經過調試運行試驗,運到使用現場時須檢查各部件是否完好無損。檢查油泵與油泵電機連接軸是否同心、是否有松動現象,用手扳動油泵連接軸處查看是否有卡軸現象(如有此現象應立即校對油泵連接軸,直至校正后方可使用)。檢查真空泵與真空泵電機皮帶盤是否是一條直線,是否平行,有無錯位現象,皮帶松緊是否適中(如有此現象應校正后方可使用)。
5.2.將設備牽引到適合該設備運行的場所,真空濾油機安放平穩,試轉檢查不能有搖擺、震動。進油口接通機組油箱放油口,出油口接通機組油箱進油口。
5.3.準備符合該設備功率及電流的電纜電線(三相五線),真空濾油機接好電源(三相五線)及地線,濾油機上的配電柜以及油泵、真空泵、、加熱管、接線處應進行檢查,確保連接牢固、絕緣可靠。
5.4.油泵電機、真空泵電機、、試啟動觀察是否按要求方向旋轉(按箭頭標示方向),否則將電源調換相序。(反方向旋轉將會嚴重損壞設備)
5.5.在線進行油處理時,要適當補充同牌號油保證油箱油位正常。
5.6.應固定好進線電源線,以防掉落觸電。確認電源是否有短路、三相不平衡以及缺項現象。
5.7.查看真空泵、是否加油(油應加至標注的液位范圍內)。
5.8.值班人員應注意進、出油和電機運轉情況。嚴禁缺相運轉。
六、系統特性:
▲具有自動供油、恒溫加熱、油滿進油電磁閥自動停止、真空分離、消泡處理、自動輸出油料、聯鎖、報警保護等功能。
▲具有壓力、溫度、真空度等在線監測。
▲人機界面強,操作簡單,可以做到全程無人監護運行。
6.1.控制面板:
(1)電源開關:
向右旋轉鑰匙開關,接通電源,指示燈亮、觸摸屏顯示,向左旋轉鑰匙開關時電源斷開(控制電源),指示燈滅、觸摸屏關閉。
(2)觸摸屏組態畫面簡介、操作:
A、主界面:
1) 內有“流程圖界面”、“故障指示”、“操作說明”、“故障排除說面”、“聯系我們”、“產品信息”界面按鈕。你可以根據相應的需求選擇相應的界面進行操作;
B、“操作界面”:
此界面是對設備進行運行操作的:設定系統參數,選擇手動、自動運行模式(默認為手動操作)、手動操作、自動操作
1)參數設定:觸摸相應的輸入域,彈出輸入鍵盤,錄入數據后按enter鍵即可。
工作參數設定參照表:
3
消泡時間 2-5秒 根據泡沫多少設定
備注:溫度設置在智能溫控儀上設置,根據處理介質設置合理的的參數設定溫度為55-65℃,表示當溫度到達設定溫度后加熱器停止加熱,溫度降至低于設置溫度5℃后又重新加熱。
2)模式選擇:
3)通電后,電源鑰匙按順時針方向扭動,控制系統通電,然后觸摸“操作及流程”按鈕進入操作界面,系統默認為手動狀態,直接可以進行手動操作。
4)手動運行開機操作流程:
首先關閉所有閥門(進、出油閥門、手動消泡閥門、排污排水閥門),觸摸“真空泵啟動”按鈕,相應的設備運行、指示燈亮,當真空度達到0.07Mpa時(觀察真空表)打開濾油機的進油閥,觀察中液位指示燈亮起后打開濾油機的出油閥,觸摸“出油泵啟動”按鈕,相應的設備運行、指示燈亮,然后觸摸“加熱啟動”按鈕,相應的設備運行、指示燈亮。由此手動運行完成。
注:手動狀態下加熱器和真空泵實行聯鎖,真空泵不工作加熱器啟動操作無效。
手動或自動加熱都受溫度的控制。
手動運行關機流程:首先關閉加熱器,讓濾油機再運行3-5分鐘后關閉進油閥(冷卻加熱裝置),停止真空泵,解除濾油機內的真空,觀察出油管無油流動后停止出油泵,關閉出油閥,關閉電源即可。
自動操作:
首先打開濾油機進出油閥門,觸摸“自動啟動”按鈕,設備進入自動運行狀態;觸摸“自動停止”按鈕設備停止運行。
注:自動狀態下加熱器和出油泵聯鎖,出油泵不工作時加熱器也停止工作。
5)界面切換按鈕:
觸摸“操作界面”按鈕進入操作界面畫面,觸摸“流程圖”按鈕進入“流程圖”界面。
此界面顯示設備運行的形象化、動態化工藝流程,對整個生產工藝的監控。界面內有“返回操作”按鈕,觸摸后進入操作界面。
D、“故障指示”界面:

1)顯示設備遇到故障報警對應信息
2)設備運行過程中,遭遇報警,設備停止運行,“故障指示”界面跳出,顯示報警信息
3)報警信息消除方法:關閉電源,參照故障排除說明處理相應的報警問題后重新上電。
E、“故障排除說明”:

簡單介紹設備遇到故障時,應該進行的基本操作。
F、“聯系我們”界面:
主要介紹公司的基本情況、聯系方式等等。

G、“產品信息”:
主要介紹產品的型號、出廠編號、設備出廠時間。
6.2控制邏輯簡介:
1)手動模式下:
觸摸“真空泵開”按鈕,真空泵啟動、相應的指示燈亮;觸摸“真空泵關”,真空泵停止運行、指示燈滅。
觸摸“進油泵開”按鈕,進油泵啟動、相應的指示燈亮;觸摸“進油泵關”,進油泵停止運行、指示燈滅。當油位上升至高液位時停止正在運行的進油泵自動停止工作。
觸摸“出油泵開”按鈕,出油泵啟動、相應的指示燈亮;觸摸“出油泵關”,出油泵停止運行、指示燈滅。當油位下降至低液位停止正在運行的出油泵自動停止工作。
在進油電磁閥工作,觸摸“加熱開”按鈕,加熱器啟動、相應的指示燈亮;觸摸“加熱器關”,加熱器停止運行、指示燈滅;當加熱運行溫度超過設定溫度,停止加熱;當溫度下降至回差溫度設定值,加熱器又重新啟動運行,這樣周而復始地工作。正在運行的加熱器,如果遇進油泵停止工作,加熱器停止自動工作。
2)自動模式下:
觸摸“自動開”按鈕,本設備啟動運行:
a、真空泵啟動;真空泵觸發
b、進油電磁閥控制:真空泵啟動后自動檢測油位,如果低于中液位,打開進油電磁閥,隨著油位上升至高液位時進油電磁閥停止工作,這樣周而復始的工作;
c、加熱器控制:進油電磁閥啟動后;檢測油溫,低于回差溫度(參數可設置)加熱;高于設定溫度(參數可設置)停止加熱,這樣周而復始地工作;進油電磁閥停止工作,加熱器也停止工作;
d、出油泵控制:開機后檢測油位,如果油液至中液位開關,出油泵工作,隨著油位下降至低液位時,出油泵停止工作,這樣周而復始的工作。
3)消泡控制:設備自動運行后,紅外線光電開關一但檢測到油沫,消泡電磁閥打開,并保持一定時間(參數可設置)后延時關閉。
4)報警說明:
無論在任何模式下運行,遭遇報警觸發,設備會立即停止工作,聲光報警運行,同時在觸摸屏彈出“故障指示”界面,顯示報警信息:觸發時間、報警源(出油壓力、熱繼電器、急停按鈕);報警復位的方法,關閉面板控制電源,處理相應的報警問題后重新上電觸摸操作界面的”報警復位“按鈕即可從新啟動設備。
5)急停操作:
設備運行過程中如遇漏油、電機異響等情況,按下面板上的急停開關,設備立即停止工作;復位的方法,關閉面板控制電源,右旋急停開關,重新上電。
七、產品適用范圍:
真空濾油機廣泛用于變壓器絕緣油、潤滑油、汽輪機透平油、液壓油、抗磨液壓油、航空液壓油、基礎油等;主要去除油中水分、雜質、游離碳、氣體、金屬雜質、酸值、膠質等;達到用油更清潔,延長油品使用周期從而達到節能降耗節約用油成本
八、系統標識介紹:
1_標識:
小心,危險
~交流
電擊危險
保護接地
2、系統零部件標識:與電路圖、管路流程一致。
九、設備安裝:
1、設備安裝要求:
1.1設備安裝環境要求:
溫度:-25~45℃。
相對濕度:≤80﹪。
大氣壓:70kPa-106kPa。
污染等級:1級。
海拔高度:不超過4500米。
電源配置:額定電壓:380V/50赫茲(三相五線制),負載53KW。
設備應盡量裝在通風干燥、地面比較平整的環境。
1.2設備放置穩定、可靠、位置合理、正確且保持水平。
1.3系統內外管道布置合理,連接整齊,牢固可靠不得有泄漏。
1.4系統電源、電線配備符合設計要求, (電源線規格3×55mm2 +2×20mm2 ),網電源空氣開關(設備的斷開裝置)應安裝在主機附件,_好距離主機不超過5米且方便操作人員開關,系統必須可靠接地(參照電路圖)。
2、設備安裝:
2.1組件和管件連接:按照系統流程和系統裝配圖對主件和管路進行裝配,要求管路橫平豎直;各組件牢固可靠,便于拆卸維修。
2.2電氣連接:按照設計圖對電路進行連接,要求正確無誤,同時布線整齊合理。
十、系統操作方法:
1、上班時檢查機器有無漏油等故障跡象,各閥門是否置于正確的位置,否則處理;
2、打開面板上的電源開關;
3、啟動設備(參照觸摸屏功能、操作說明)
4、下班時關,切斷面板控制電源開關,斷開外部電源裝置(空氣開關);關閉相應的閥門。
十一、系統使用注意事項:
1、真空泵工作時,應注意油標顯示的油液情況,(油液應在油標線上),真空泵油中水分較多時,應及時更換。
2、運行中發現積存在儲水器中的積水滿時,可手動操作放水閥實施放水。
3、當冷卻器液位管上顯示有凝結水時,須及時排出(關閉濾油機,解除真空,然后打開冷卻器下端的閥門,將凝結水放掉)。
4、運行中隨時注意真空泵及相應的運行噪聲是否正常,如異常應立即排除。
5、當進油量不足時應停機檢查,初濾芯、二級過濾芯是否被雜質堵塞,若被雜質堵塞,初濾芯,二級過濾,三級過濾拆出清洗。
6、本機停置不用時,應將真空泵油放盡,注入新油。在冬季特別注意,放凈真空泵內和水箱內的水,否則要凍壞真空泵和積水箱。
十二、系統維護:
一個設備除有了合理的設計,優質的選材,精心的安裝調試外,良好的系統
維護是延長設備壽命的重要保證。
1、本機必須實施保護性接地。
2、保持濾油機的清潔,防止雜物進入。
3、.真空泵的使用及維護,請參見真空泵說明書。
4、定期放盡冷卻罐內儲水。
5、真空泵潤滑油采用(KK-100#)真空泵油。
6、加熱器內無油流動時,不允許通電加熱,當觀察其真空罐液位即進出油達到平衡后方可加熱。
7、真空濾油機系統若工作壓力達0.5Mpa時,必須清洗或更換出油過濾器芯。
8、初濾芯需經常拆下清洗以保護清潔,避免堵塞造成進油不足或壓力過高。
9、維護應記住零件裝配位置,緊固件應緊固無松動。
10、運行時,對系統管道、閥門和電動機等應隨機檢查。
11、開機前檢查電機旋轉方向是否與要求相同,并確認無卡阻、松動現象。
12、操作本機時,必須結合實物詳細閱讀本機使用說明書。
13、本機停置不用時,應將真空泵油放盡注入新油,同時出油閥門,將存油放盡建議每天開機和關時。
十三、常見故障診斷及處理方法
故障觀察
原因分析 排除方法 平穩運行中進口流量減少或不能進油 1.初濾器堵塞,阻力增大。 2.二級過濾堵塞,阻力增大、 3. 排油泵油封漏氣; 4. 吸油管太細或吸程太深; 5. 真空缸內噴油小孔堵塞。 1.拆洗初濾器。 2.二,三級過濾器清洗。 3. 調整油封壓蓋,如無需換油封; 4. 改善環境; 5. 拆洗。 起動或運行過程中油泵聲音不正常 1.泵內有氣塞、產生噪音,泵內缺油或油中帶進大量空氣。 2.進口連接管存有空氣帶進油泵。 檢查進油情況,調節入出口閥門開關,進油管排除空氣。 啟動加熱器,油溫不見升溫 1.感溫探頭落出。 2.電加熱接觸器問題。 3.電路斷路。 4.加熱管燒壞。 1.固定感溫探頭。 2.檢查或更換。 3.檢修線路。 4.更換加熱器。 真空度下降,達不到額定數值 1.管路接頭或其它密封不嚴,產生漏氣。 2.真空泵油不足。 3.真空泵油臟。 4.真空泵排氣閥片或其它不見損壞。 5.真空表指示不正確。 6.由于使用地點海拔高度不中不在標準大氣壓情況下影響真空度變化; 1.檢修。 2.注入真空油到油標線。 3.更換新油。 4.檢修。 5.校準或更換。 6. 屬正常提高油的溫度,使水達到蒸發。 真空泵啟動困難 1.廢物掉入泵內。 2.皮帶過松或過緊或聯軸器故障。 3.電源缺相或電機故障。 1.檢查,重點查進氣口銅濾網是否被碎掉入。 2.檢修。 真空泵排氣口噴油 1. 泵內油量過多。 2. 被凈化油含水過重,汽化成份及泡沫太多。 3. 真空罐內存油太多。 4.被過濾油含水量多,油漂上升被吸入真空泵,真空泵油位上升; 5.真空泵內密封墊移位或損壞。 1. 放油至油標中心線略下。 2. 開氣鎮閥,提高油溫,降低真空度。 3. 停機后,啟動排油泵抽油,油位下降后,再開真空泵。 4.真空油不得高出油位線; 5.檢修。 真空泵-電機運轉中途停止 1.電壓太大。 2.電源缺相。 1.暫停使用。 2.檢查電源。 過濾油不合格 1.油質含水量高。 2.油液加熱不足。 3.濾網破損。 4.設備再次使用未清洗。 5.真空度過低。 1.增加過濾次數。 2.提高加熱溫度。 3.檢修,更換過濾元件。 4.清洗。 5.檢查各部位是否密封不嚴漏氣。 排油量減少或不出油 1.真空罐內油位過低。 2.高真空度。 3.油箱或油罐位置較高。 4.齒輪泵油封漏氣。 1.增大進油量。 2.降低真空度。 3.降低高度。 4.換油封或油泵。
十四、耗材更換周期:
注:
1.更換周期前提條件:嚴格參照說明書操作維護。
2.所有耗材替代品更換必須由生產廠家提供,否則可能造成對濾油機以及客戶設備的危害。
▲ 制造標準:
1.嚴格按照機械工業部 JB/T5285-2001電力部行業標準 DL/T521-2004;
2.JB/T5285-2001《真空凈油機技術條件》
3.GB/T15464-1995《儀器儀表包裝通用技術條件》
4.JB/T9329-1998《儀器儀表運輸、運輸貯存基本環境條件及試驗方法》
5.DL/T521-2004《真空凈油機使用驗收導則》
6.GB2423 《電工電子產品基本環境試驗規程》
7.QB5226 《電氣設備通用技術條件》
8.ZBJ051.004 《金屬焊接、通用技術焊接》
9.B/T13926 《工業過程測量和控制裝置的電磁兼容性》
10.GB50171-92電氣裝置安裝工程盤、柜及二次回路結線施工及驗收規范
11.GB50065-1994電氣裝置的接地設計規范其他相關國家及行業標準
12.JB4753-1997《鋼制焊接常壓容器》
13.GB/T47931.1-1995《測量、控制和試驗室用電氣設備的_要求,.部分:通用要求(idt IEC61010-1:1990)》
十五、儲藏運輸及搬動
1、儲藏、運輸:溫度:-25--45℃;排掉機內容器積油、水,密封各端口;禁止倒置、防雨、防潮、防日照。
2、在安裝環境搬運時,推動機殼,濾油機依靠自身腳輪移動、搬運。
地址:重慶市沙坪壩區覃家崗鎮新橋村石梯溝社幸福小區
銷售部:023-65217597
技術部:(86)13350355997
023-65217916
售后部:023-65217916
傳 真:023-65217916
QQ: 2904490491