服務熱線
13350355997
作者: 凱潛濾油機 發布時間:2019-11-17 14:20 點擊量: 來源:
化工水環真空機組工作原理
化工水環真空機組在泵體中裝有適量的水作為工作循環液。當葉輪按圖中指示的方向順時針旋轉時,水被葉輪拋向四周,由于離心力的作用,水形成了一個決定于泵腔形狀的近似于等厚度的封閉圓環。水環的上部分內表面恰好與葉輪輪轂相切,水環的下部內表面剛好與葉片頂端接觸(實際上葉片在水環內有一定的插入深度)。此時葉輪輪轂與水環之間形成一個月牙形空間,而這一空間又被葉輪分成葉片數目相等的若干個小腔。如果以葉輪的上部0°為起點,那么葉輪在旋轉前180°時小腔的容積由小變大,且與端面上的吸氣口相通,此時氣體被吸入,當吸氣終了時小腔則與吸氣口隔絕;當葉輪繼續旋轉時,小腔由大變小,使氣體被壓縮;當小腔與排氣口相通時,氣體便被排出水環真空泵外。
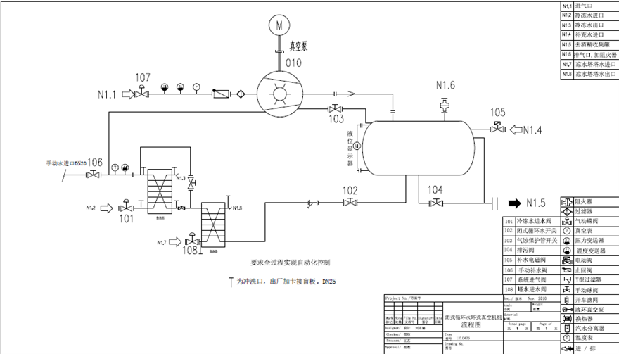
化工水環真空機工作流程圖如下:

化工真空機組在一般情況下,選用水環泵作為前級泵比其它真空泵更為有利,這主要是由于真空機組能夠抽除大量的可凝性蒸汽,特別是當氣鎮油封機械真空泵排除可凝性蒸汽能力不夠,或使用的溶劑能使泵油惡化而影響性能,或者是真空系統不允許油污染的時候更為明顯。

地址:重慶市沙坪壩區覃家崗鎮新橋村石梯溝社幸福小區
銷售部:023-65217597
技術部:(86)13350355997
023-65217916
售后部:023-65217916
傳 真:023-65217916
QQ: 2904490491