服務熱線
13350355997
作者: 凱潛濾油機 發布時間:2020-05-19 14:45 點擊量: 來源:
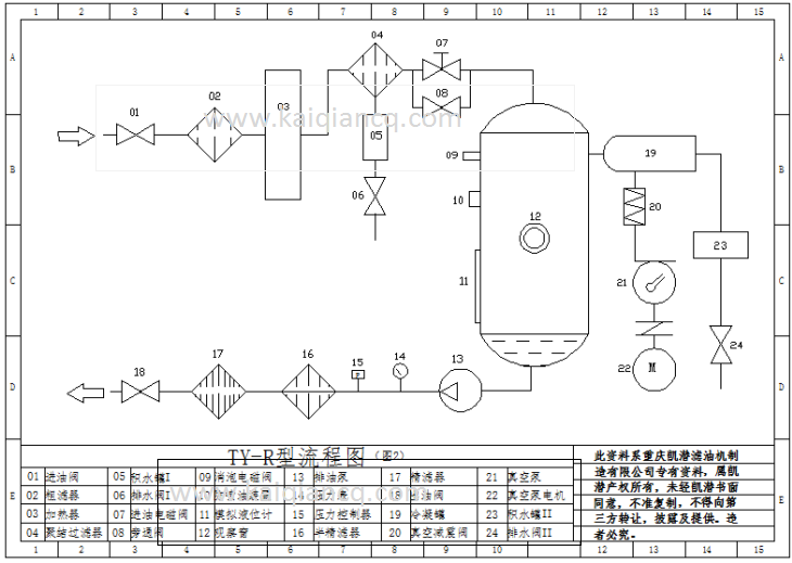
變壓器真空濾油機根據減壓分離,分子吸附、真空干燥、機械精密過濾原理。
變壓器真空濾油機為單獨的一臺整機,無任何附屬機械設備,利用水的飽和溫度曲線和真空干燥原理進行立體的、多層面的快速效率高油水分離技術,多級大通量深層次精密過濾技術,經處理后的油品達到國標使用標準。
變壓器真空濾油機過濾原理圖:

地址:重慶市沙坪壩區覃家崗鎮新橋村石梯溝社幸福小區
銷售部:023-65217597
技術部:(86)13350355997
023-65217916
售后部:023-65217916
傳 真:023-65217916
QQ: 2904490491